注:控制器類型可選 A型:其功能包括:手動-自動轉換、失壓與斷相轉換、轉換延時設置。
B型:其功能包括:手動-自動轉換、失壓、欠壓、超壓與斷相轉換、轉換延時設置,提供發電機啟動觸頭,LED顯示。可增加消防
“切非”
D型:其功能包括:手動-自動轉換、轉換延時設置,提供發電機啟動 觸點,LCD顯示,中文界面。可增加消防“切非”,通訊接口
二次接線圖,極大 方便工程設計。建議采用左圖方式標圖。
具有隔離功能可靠觸頭指示
?所有斷路器隔離功能應符合IEC60947-2標準:
?隔離位置對應于“0”(OFF位置)。
?只有觸頭真正打開,操作手柄才能指示“OFF”位置
?觸頭打開,才可以安裝掛鎖。旋轉手柄或電動機構不會改變觸頭指示系統的可靠性。
?隔離功能保證:
-觸頭指示系統的機械可靠性
-無漏電電流
-進出線端子之間的過電壓耐受能力
產品功能解釋
?自投自復:當常用電源正常時,控制器發出指令,常用電源控制斷路器合,備用電源控制斷路器分,自動換開關 電器處于(1,0)當常用電源異常時,控制器發出指令,常用電源控制斷路器分,備用電源控制斷路器分,自動轉換 開關電器處于(0.1)當常用電源恢復正常時,控制器發出指令,常用電源控制斷路器合,備電源控制斷路器分,自 動轉換開關電器又處于(1,01狀態。
?自投不自復:當常用電源正常時,控制器發出指令,常用電源控制斷器合,備用電源控制斷路器分,雙電源自動 轉換開關處于(1,0)當常用電源異常時,控制器發出指令,常用電源控制斷路器分,備用電源控制斷路器合。
雙電源自動轉換開關處于(0,1)當常用電源恢復正常時,自動轉換開關電器仍處于(0,1)狀態,只有操作復位按鈕才能 使常用電源控制斷路器合,備用電源控制斷路器分,雙電源自動切換裝置又處于(1,0)狀態。
?互為備用:當常用電源正常時,控制器發出指令,常用電源控制斷路器合,備用電源控制斷路器分,雙電源自動 轉換開關處于(1,0)當常用電源異常時,控制器發出指令,常用電源控制斷路器分,備用電源控制斷路器合。
雙電源自動切換裝置處于(0,1)當常用電源恢復正常時,自動轉換裝置電器仍處于(0,1)狀態,只有備用電源斷電,才 能使常用電源控制斷路器合,備用電源控制斷路器分,雙電源自動切換裝置又處于(1,0)狀態。
?指令(消防I復位(消防指令切非h無論雙電源自動切換裝置處于何種狀態,消防中心發出切非指令,使雙電源自動 切換裝置常用電源控制斷路器和備用電源控制斷路器全部分閘,幵關處于(0,0)狀態。
?反饋信號:反映雙電源自動切換裝置兩臺控制斷路器工作狀態的信號,一般從控制斷路器輔助觸點取出信號。
?電網-電網:雙電源自動切換裝置電源取自兩路電網電源。
?電網-發電機:雙電源自動切換裝置電源取自電網電源和發電機。
?聯絡型:聯絡型雙電源自動切換裝置有三臺塑殼斷路器組成。其中,QA和QB塑殼斷路器分別由兩路電源或兩段 母線電源供給,QC塑殼斷路器在QA及QB輸出端聯絡。當其中任意一路電源出現故障,該斷路器分閘,QC斷路器 重新合閘。雙電源自動切換幵關恢復正常工作。
A型控制器
A型控制器置于自動轉換裝置內部,根據工作電源電壓是否正常,決定是否進行電源切換。
?自動/手動工作方式切換 -自動操作:將自動/手動切換裝置置于自動位 -手動操作:將自動/手動切換裝置置于手動位
?延時時間及工作狀態的設定(調整撥碼幵關的位置,詳見表-)
-轉換延時tl: 0,5,15,30s;
-返回延時tl: 0,5,15,30s;
-工作狀態:自投自復、互為備用、自投不自復
A型控制器動作參數設置 表一
工作狀態設置 |
轉換延時設置 |
返回延時設置 |
||||||||
K1 |
K2 |
工作狀態 |
K3 |
K4 |
K5 |
延時時間(s) |
K6 |
K7 |
K8 |
延時時間(s) |
OFF |
OFF |
自投自復 |
OFF |
OFF OFF |
OFF |
0 |
OFF |
OFF |
OFF |
0 |
OFF |
ON |
互為備用 |
OFF |
OFF |
ON |
5 |
OFF |
OFF |
ON |
5 |
ON |
ON |
自投不自復 |
OFF |
ON |
ON |
15 |
OFF |
ON |
ON |
15 |
ON |
ON |
ON |
30 |
ON |
ON |
ON |
30 |
B型控制器
B型控制器位于裝置外部,功能豐富
?根據工作電源電壓是否在所設定正常范圍內,以及自動轉換幵關所處的工作方式決
定是否進行電源轉換。
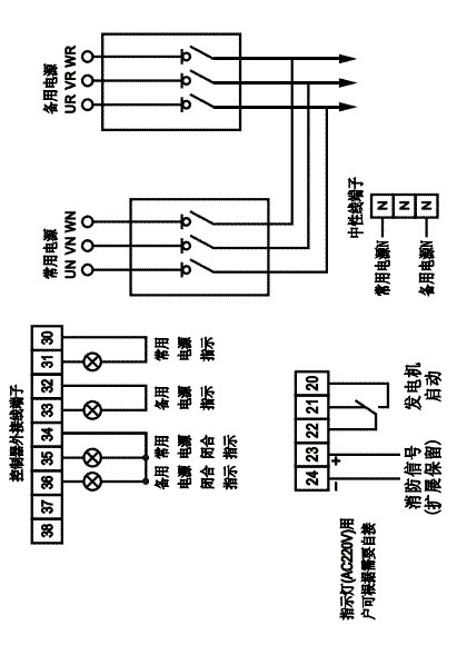
?備用發電機組的啟停控制
?方便的按鍵式手動強制轉換動作
?消防聯動功能(可選模塊)

CRQ3A-100-250
CRQ3B-100-630
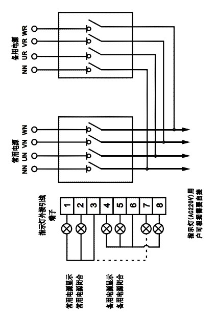
接線圖
型號 |
外形尺寸 |
安裝尺寸 |
|||||
L(3P、4P) |
W(3P、4P) |
H(3P、4P) |
L1(3P、4P) |
W1(3P、4P) |
D(φ) |
||
CRQ3A-100 |
430/500 |
200 |
140 |
400/470 |
155 |
6.5 |
|
CRQ3A-160 |
430/500 |
200 |
140 |
400/470 |
155 |
6.5 |
|
CRQ3A-250 |
430/500 |
200 |
140 |
400/470 |
155 |
6.5 |
|
CRQ3B-100 |
502/572 |
202 |
140 |
470/540 |
170 |
7 |
|
CRQ3B-160 |
502/572 |
200 |
140 |
470/540 |
170 |
7 |
|
CRQ3B-250 |
502/572 |
200 |
140 |
470/540 |
170 |
7 |
|
CRQ3B-400 |
620/710 |
277 |
192 |
590/680 |
245 |
9 |
|
CRQ3B-630 |
620/710 |
277 |
192 |
590/680 |
245 |
9 |
|
CRQ3D-100 |
430/500 |
185 |
140 |
400/470 |
155 |
6.5 |
|
CRQ3D-160 |
430/500 |
185 |
140 |
400/470 |
155 |
6.5 |
|
CRQ3D-250 |
430/500 |
185 |
140 |
400/470 |
155 |
6.5 |
|
CRQ3D-400 |
600/680 |
275 |
190 |
570/650 |
245 |
9 |
|
CRQ3D-630 |
600/680 |
275 |
190 |
570/650 |
245 |
9 |
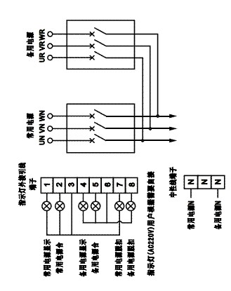
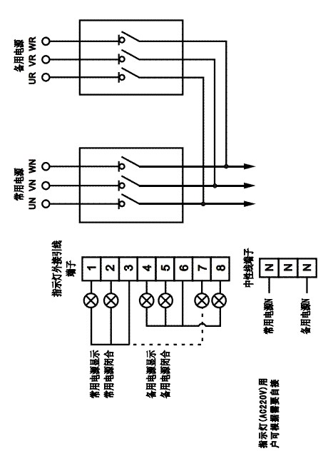
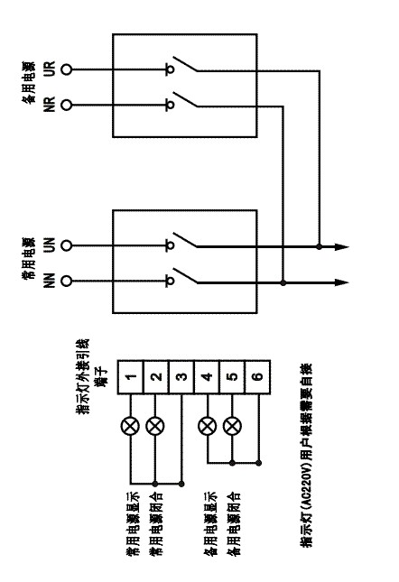
CRQ3A-100-250 3CB開關接線圖

CRQ3A-100-250 4CB開關接線圖
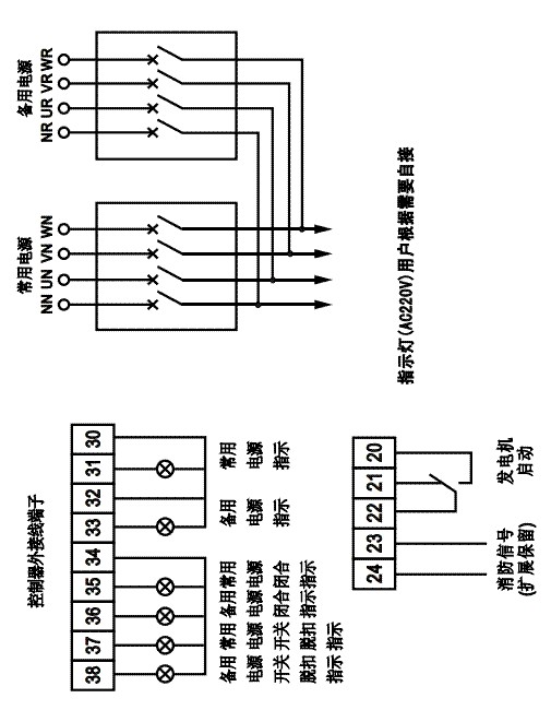
CRQ3B-100-630 3CB開關接線圖
CRQ3B-100-630 4CB開關接線圖
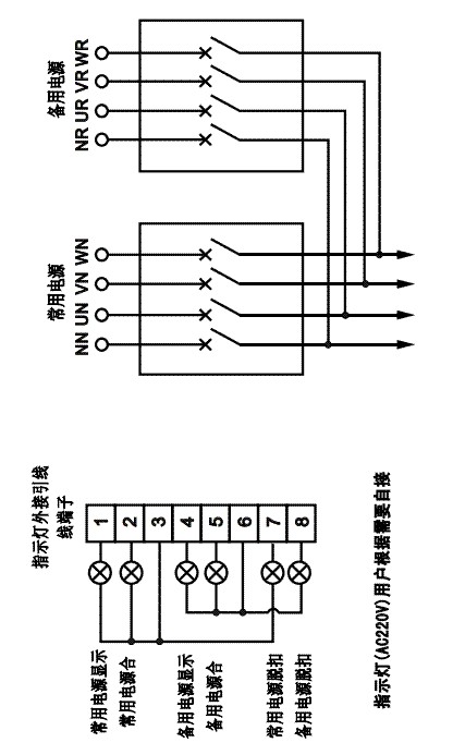
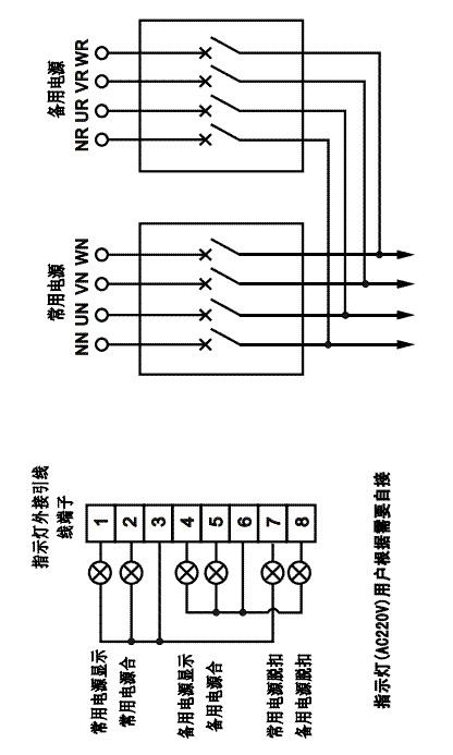
CRQ3A-32~100 2PC開關接線圖
CRQ3A-32~250 3PC開關接線圖
CRQ3A-32~250 4PC開關接線圖
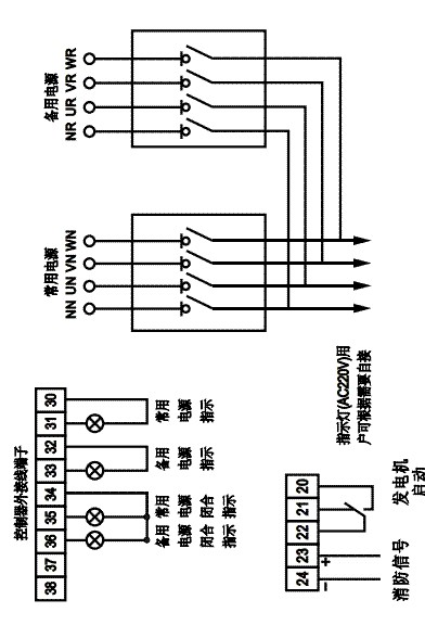
CRQ3B-32~100 3PC開關接線圖
CRQ3B-32~100 4PC開關接線圖
注:CRQ3A-32~100(PC)負荷開關接線圖中實線部分對應,虛線部分僅適用于CRQ3A-32~250(PC) 負荷開關產器,兩者的不同在后者負載電流達到10KA時,提供能量跳閘保護,外接了一個故障指示選項.