注:1.表中所列規格用戶根據需要選取,但在一臺斷路器中不應超過表中每格中所規定的項目。
2.輔助觸頭400A及以上為二常開二常閉,225A以下為一常開一常閉。
3.斷路器有欠電壓脫扣器和分勵脫扣器。其電壓規格交流有220V、380V,直流有110V、220V供四種。欠壓脫扣器電壓僅有交流規格。
4.報警觸頭均為一常開、一常閉觸頭;
5.殼架等級100A、225A中無248、258、278、348、358、378的規格。
*復式脫扣器——為帶瞬時脫扣器和熱脫扣器的脫扣器。
DZ20塑殼斷路器是以Y型為基本產品,由絕緣外殼、操作機構、觸頭系統和脫扣器四個部分組成。斷路器的操作機構具有使觸頭快速合閘和分斷的功能,其“合”“分”“再扣”和“自由脫扣”位置以手柄位置來區分。
C型、J型和G型斷路器是在Y型基本產品基礎上派生設計而成(除C型160A外)。J型斷路器是將Y型斷路器的觸頭進行結構改進,使之在短路情況下,在機構動作之前,動觸頭能迅速斥開,達到提高通斷能力的目的。
G型斷路器是在Y型斷路器的底板后串聯的一個平行導體組成的斥力限流觸頭系統,該系統比J型的斥力觸頭長,斷開距離也大,因此能更迅速的限流。
四級斷路器中性極(N)不裝脫扣元件,位于最右側位置。在分合過程中,中性極規定為閉合時較其他三級先接觸,分閘時較其他三級后斷開。
C型斷路器是為滿足630KVA及以下變壓器電網中的配電保護之需要,通過先用經濟型材料的簡化結構及改進工藝等辦法,能夠達到較好的經濟效果。
.DZ20系列斷路器主要技術性能

(1)各部件主要技術參數 (1)瞬時脫扣器整定電流Ir:
注:C型瞬時脫扣器整定電流Ir=10In。
(2)配電用反時限特性見表1,電動機保護用反時限見表2

(3)分勵脫扣器:短時工作制。額定控制電源電壓:AC220、380V,DC110、220V
(4)欠電壓脫扣器:額定工作電壓:AC220,380V。在電源電壓等于或大于85%Ue時能保證斷路器可靠閉合,當電源電壓低于35%Ue時能防止斷路器閉合,當電源電壓為(70%~35%)Ue時,斷路器能可靠斷開。
(5)報警觸頭:額定工作電壓:AC220V,約定發熱電流:1A
(6)輔助觸頭:在不裝欠電壓脫扣器和分勵脫扣器時,可裝輔助觸頭。輔助觸頭額定值見表3;接通和分斷能力見表4;電壽命試驗參數見表5;壽命次數為印50次。

表4
注:表中225A及以下Pe=30W,400A及以上Pe=45W。P=Ue·Ie為穩定狀態功率損耗(下同)
表5

注:表中225A及以下Pe=30W,400A及以上Pe=45W
DZ20塑殼斷路器(空氣開關)的外部附件
1.電動操作機構有關參數及斷路器安裝電動操作機構后總高度H見表。
型號 |
DZ20Y、J-100 |
DZ20G-100 |
DZ20Y、J-225 |
DZ20G-225 |
DZ20Y-400 |
DZ20J-400 |
DZ20G-400 |
DZ20Y、J-1250 |
高度H |
185 |
235 |
220 |
305 |
230 |
245 |
345 |
275 |
結構形式 |
電磁鐵 |
電動機 |
? |
|||||
電壓規格 |
AC50Hz、220V、380V |
|||||||
注:帶電動操作機構的斷路器脫扣跳閘后,電動操作機構必須使斷路器再扣,然后才能合閘! |
2手動操作機構安裝尺寸見表.
型號 |
DZ20Y、J、G-100 |
DZ20Y、J、G-225 |
DZ20Y-400 |
DZ20J、G-400 |
安裝尺寸H |
55 |
85 |
105 |
80 |
操作手柄相對于斷路器中心X值 |
0 |
0 |
0 |
0 |
型號 |
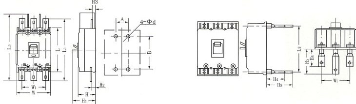
外形尺寸 |
||||||||||||
板前連接 |
板后連接 |
||||||||||||
W |
L |
H |
W1 |
L1 |
L2 |
H1 |
H2 |
H3 |
W1 |
L3 |
H4 |
H5 |
|
DZ20Y-100 |
105 |
165 |
86.5 |
70 |
- |
215 |
103 |
26.5 |
26.5 |
70 |
147 |
55.5 |
55.5 |
DZ20J-100 |
|||||||||||||
DZ20G-100 |
140 |
218.5 |
156.5 |
80.5 |
140.5 |
||||||||
DZ20C-160 |
108 |
155 |
84 |
? |
- |
- |
106.5 |
34 |
34 |
70 |
212.5 |
64 |
64 |
DZ20Y-225 |
108.5 |
256.5 |
105 |
70 |
326.5 |
402 |
142 |
19.5 |
19.5 |
70 |
47 |
90 |
|
DZ20J-225 |
108.5 |
||||||||||||
DZ20G-225 |
108.5 |
187 |
227 |
38 |
103.5 |
100 |
|||||||
DZ20C-250 |
109 |
208 |
105 |
70 |
298 |
- |
142 |
13.5 |
13.5 |
70 |
219 |
75 |
128 |
DZ20Y-400 |
155 |
276 |
116 |
102 |
391 |
149.5 |
26.5 |
26.5 |
102 |
247 |
80 |
125 |
|
DZ20C-400 |
|||||||||||||
DZ20J-400 |
210 |
268 |
108 |
140 |
367 |
- |
147 |
21.5 |
21.5 |
140 |
233 |
90 |
90 |
DZ20G-400 |
208 |
394 |
247 |
75 |
121.5 |
85 |
119 |
||||||
DZ20Y-630 |
108 |
- |
147 |
21.5 |
21.5 |
90 |
90 |
||||||
DZ20J-630 |
|||||||||||||
DZ20Y-1250 |
212 |
393 |
142 |
140 |
559 |
- |
216 |
31 |
31 |
140 |
325 |
124 |
184 |
?
如果你希望了解DZ20塑料外殼式斷路器的更多內容,如價格,使用說明,維修等相關,請聯系我們!