|
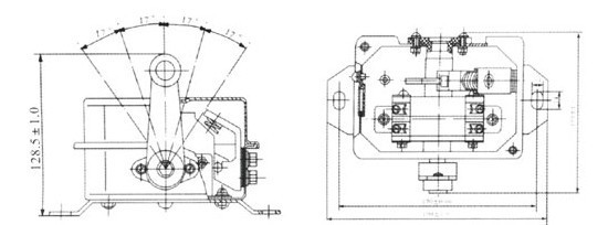
LX10-11、12、12B
|
采用杠桿操作,用于慣性行程較大的平移機構
|
||||
|
LX10-21、22
|
帶有滾子的叉型操動臂,用于慣性行程較大的平移機構
|
||||
|
LX10-31、32
|
帶有平衡重錘的荷重扛杵狀的操作動臂,用于限制提升機構的行程
|
||||
|
LX10-41、42
|
帶有叉型操動臂,用于三個操作位置的平移機構
|
||||
|
1X10-51、52
|
帶有荷重扛杵狀的操作動臂,用于速度不大的平移機構
|
||||
|
LX10-61、62
|
在外殼的兩側各有一個帶滾子的操動臂,用于速度較大的平移機構
|
||||
|
LX10-11S、12S
|
采用尺捍操動臂,用于慣性行程較大的平移機構
|
||||
|
LX10-21S、22S
|
帶有滾子的叉型操動臂,用于慣性行程較大的平移機構
|
||||
|
LX10-31S、32S
|
帶有平衡重錘的荷重扛杵狀的操作動臂,用于限制提升機構的行程
|
||||
|
LX10-41S、42A
|
帶有叉型操動臂,用于三個操作位買的平移機構
|
||||
|
LX10-51S、52A
|
帶有荷重扛杵狀的操作動臂,用于速度不大的平移機構
|
||||
|
LX10-61S、62S
|
在外殼的兩側各有一個帶滾子的操動臂,用于速度較大的平移機構
|
||||

